- Interconnects Connectors Pin headers
- Other Industry Electronics Accessory Header Connectors
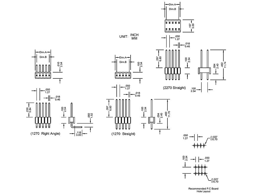
Description
1270 Series
2270 Series
FEATURES:
* 1270 Series 2-50 Circuits, 2270 Series 4-100 Circuits
* .018[0.46mm] Square wire pins
* Nylon46 + 40% Glass Fiber [UL 94V-0]
* PC Board and back planes
SPECIFICATIONS:
* Current rating: 1A AC. DC
* Voltage rating: 250V AC. Maximum
* Temperatur range: -40°C ~ +105°C
* Contact resistance: Initial Value/10mΩ max.
After environmemtal testing
/20mΩ max.
* Insulation resistance: 5000 MΩ min
* Withstand Voltange: 1500V AC/minute
* Applicable PC Board thickness: .063"[1.6mm]
2270 Series
FEATURES:
* 1270 Series 2-50 Circuits, 2270 Series 4-100 Circuits
* .018[0.46mm] Square wire pins
* Nylon46 + 40% Glass Fiber [UL 94V-0]
* PC Board and back planes
SPECIFICATIONS:
* Current rating: 1A AC. DC
* Voltage rating: 250V AC. Maximum
* Temperatur range: -40°C ~ +105°C
* Contact resistance: Initial Value/10mΩ max.
After environmemtal testing
/20mΩ max.
* Insulation resistance: 5000 MΩ min
* Withstand Voltange: 1500V AC/minute
* Applicable PC Board thickness: .063"[1.6mm]
Supplier Information
Vensik Electronics Co., Ltd.
TEL : 886-2-27833836 FAX : 886-2-27824427No.86, Xinmin St., Nangang Dist., Taipei City 115, Taiwan R.o.c.
Web-Site : http://www.vensik.com.tw/
E-Mail : vensik@vensik.com.tw