- Other Industry Electronics Accessory Header Connectors
- Interconnects Connectors Pin headers
Description
7555 Series
FEATURES:
* 1-6 Circuits
* Nylon [UL 94V-0]
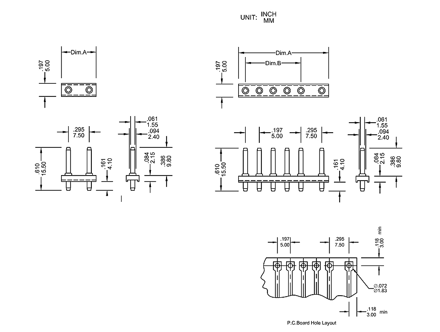
* .061"[1.55mm] round wire pins
* Mates with .295"-.197" [7.5mm-5.0mm]
center crimp Housing [7550]
SPECIFICATIONS:
* Current rating: 7A AC. DC
* Voltage rating: 250V AC. Maximum
* Temperatur range: -40°C ~ +105°C
* Contact resistance: Initial Value/10mΩ max.
After environmemtal testing
/20mΩ max.
* Insulation resistance: 5000 MΩ min
* Withstand Voltange: 1500V AC/minute
* Applicable PC board thickness: .063"[1.6mm]
FEATURES:
* 1-6 Circuits
* Nylon [UL 94V-0]
* .061"[1.55mm] round wire pins
* Mates with .295"-.197" [7.5mm-5.0mm]
center crimp Housing [7550]
SPECIFICATIONS:
* Current rating: 7A AC. DC
* Voltage rating: 250V AC. Maximum
* Temperatur range: -40°C ~ +105°C
* Contact resistance: Initial Value/10mΩ max.
After environmemtal testing
/20mΩ max.
* Insulation resistance: 5000 MΩ min
* Withstand Voltange: 1500V AC/minute
* Applicable PC board thickness: .063"[1.6mm]
Supplier Information
Vensik Electronics Co., Ltd.
TEL : 886-2-27833836 FAX : 886-2-27824427No.86, Xinmin St., Nangang Dist., Taipei City 115, Taiwan R.o.c.
Web-Site : http://www.vensik.com.tw/
E-Mail : vensik@vensik.com.tw