Twinner - Trade Winners Net Marketing Co., Ltd.
BACK
Log In
  • Kendu Technology Co., Ltd. - logo
  • Kendu Technology Co., Ltd.

  • Interconnects Plugs, Jacks & Sockets Connector terminals
  • KD-2011-XX - SMT type connectors for inverter - Kendu Technology Co., Ltd.
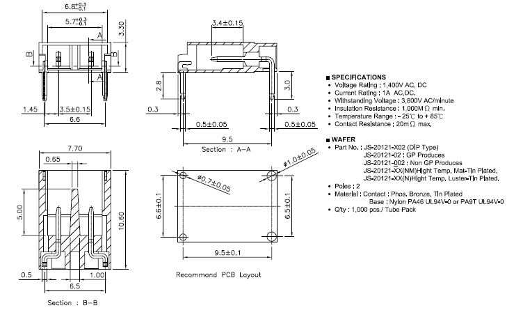
  • KD-2011-XX

    SMT type connectors for inverter


Specification
Voltage rating: 1400V AC,DC
Current rating: 1A
Withstanding Voltage:  3800V / minute
Insulation resistance: 1000MΩ Min
Temperature range: 45°C - +105°C
(Including temperature rise in applying electronical current)
Contact resistance: Initial Vaule / 10m max.
After environmental
testing/20m max

 

Type Type Type
Housing Wafer Terminal
Part No. Part No. Part No.
JS-2011 JS-2012(SMT Type)
JS-20121(DIP Type)
JS-2011-T
Description Description Description
Poles:2
Material: Nylon 66 UL 94V-2
Q'ty: 1,000 pcs/Bag
Poles: 2
Material: Contact: Phos. Bronze , Tin plated
Base : Nylon PA46 UL94V-0 or PA9T UL94V-0
Q'ty: JS-2012 1,200 pcs/Tape & Reel
JS-20121 1,000 pcs/Tube Pack
Applicable wires: AWG# 24-28
Material: Phos. Bronze
Finish:Tin plated
Thickness:0.2 mm

Q'ty: 10,000 pcs/Reel

 

Supplier Information

Kendu Technology Co., Ltd.

TEL : 886-2-2695-0505 FAX : 886-2-2692-6565
9F, No.236, Jung Hsing Rd., Hsi-chih Dist., New Taipei City, post code 22158, Taiwan
Web-Site : http://www.kendu.com.tw/
E-Mail : melody@kendu.com.tw
Back